产品中心

硬齿面圆柱齿轮减速机

齿轮减速机

圆弧圆柱双级蜗杆减速器

摆线针轮减速机

电动滚筒

NBW行星齿轮减速器

平面包络蜗杆减速器

三环减速机

SWL蜗轮螺杆升降机

QY型起重机用硬齿面减速机

2004星轮减速器

圆柱蜗杆减速器

SHT(TRT)型减速机


一、用途

三环减速器是一种先进的传动机械,它可以广泛应用于矿山、冶金、石油、化工、橡塑、工程、起重运输、轻工等众多领域,-般可替代齿轮行星减速器、摆线针轮减速器、多级圆柱齿轮减速器和蜗杆减速器等使用。


二、原理

其基本型主要由一根低速轴,二根高速轴和三片传动环板构成。各轴均平行配置,相同的两根高速轴带动三片传动环板呈120°相位差作平面运动,传动环板内圆与低速轴的外圆内接,通过齿与齿或针销与齿相啮合,形成大传动比,各轴的轴端可以单独或同时传输动力。

image.png

三环式传动机构自成体系,按基本型的单级传动,增加高速与低速轴的数量或变更其相互位置,构成若干派生型,单级传动还可以串联成多级传动。

该传动装置因采用简巧独特的“平行轴一动轴”三环式传动原理,基本构件的运动和受力均衡,又充分地运用了功率分流和多齿内啮合,故具有外形小,传动比大,承载能力强,过载性能好,效率高,运转平稳及多轴端传输动力等优点,维修方便。


三、特点

承载能力强,使用寿命长,9-18对齿同时进入啮合区,可承受过载2.7倍.输出转矩达938KN.m。

传动比大,分级密集,单级11-99. 双级达9801.级差约1.1倍。

运转平稳,噪声小于78dB、振动幅值小于0.025MM。

结构紧凑,体积小,重量轻,比普通圆柱齿轮减速器小2/3。

装拆与维修方便,平行轴,易损件少易更换。

适用性宽广,可制成卧式、立式、法兰联结及结合传动等结构.亦可为专用设备配置非标传动,具有多轴端,可供多电机同步传动或带动控制器件,装配型式及派生系列繁多。


四、装配形式

image.png

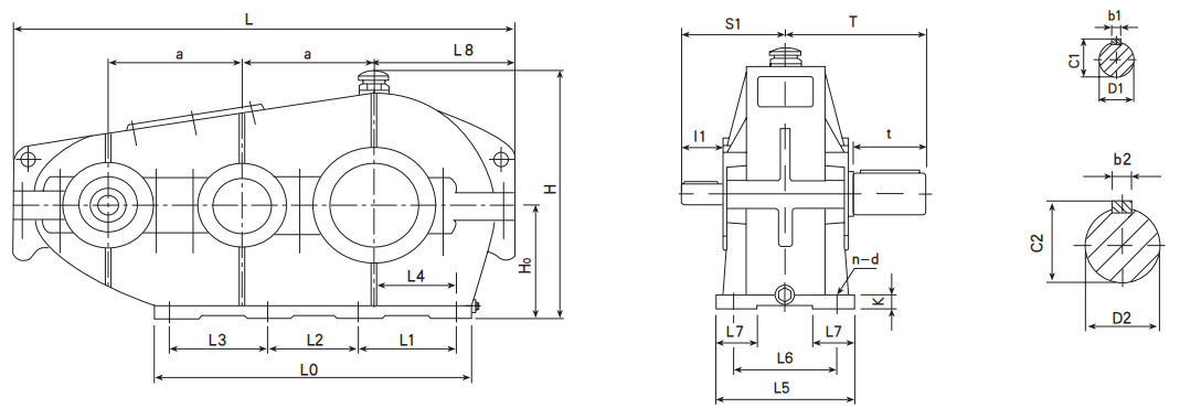
五、外形尺寸

image.png

image.png

上一篇:MSH(MTR)型减速机

下一篇:QSH(QTR)型减速机


泰兴市恒星减速机厂

联系方式:0523-87695988 139-5265-0742 139-5265-9053

公司地址:泰兴市济川街道张庄村

Copyright © 2020-2021 泰兴市恒星减速机厂 All Rights Reserved.

电子邮箱:txhxjsj@126.com

备案号码:苏ICP备2022046895号

微信扫一扫

微信联系
返回顶部