蜗轮螺杆升降机是通过蜗轮转动螺杆完成提升、下降、推进等功能,广泛应用于机械、冶金、建筑、水利、化工等各项行业,具有结构紧凑、体积小、安装方便、可靠性好、稳定性高、使用寿命长等优点。本系列升降机可自锁,承载能力在。2.5t- -35t之间,最高输入转速1500r/min.工作温度在. - 20°C - 100°C之间。
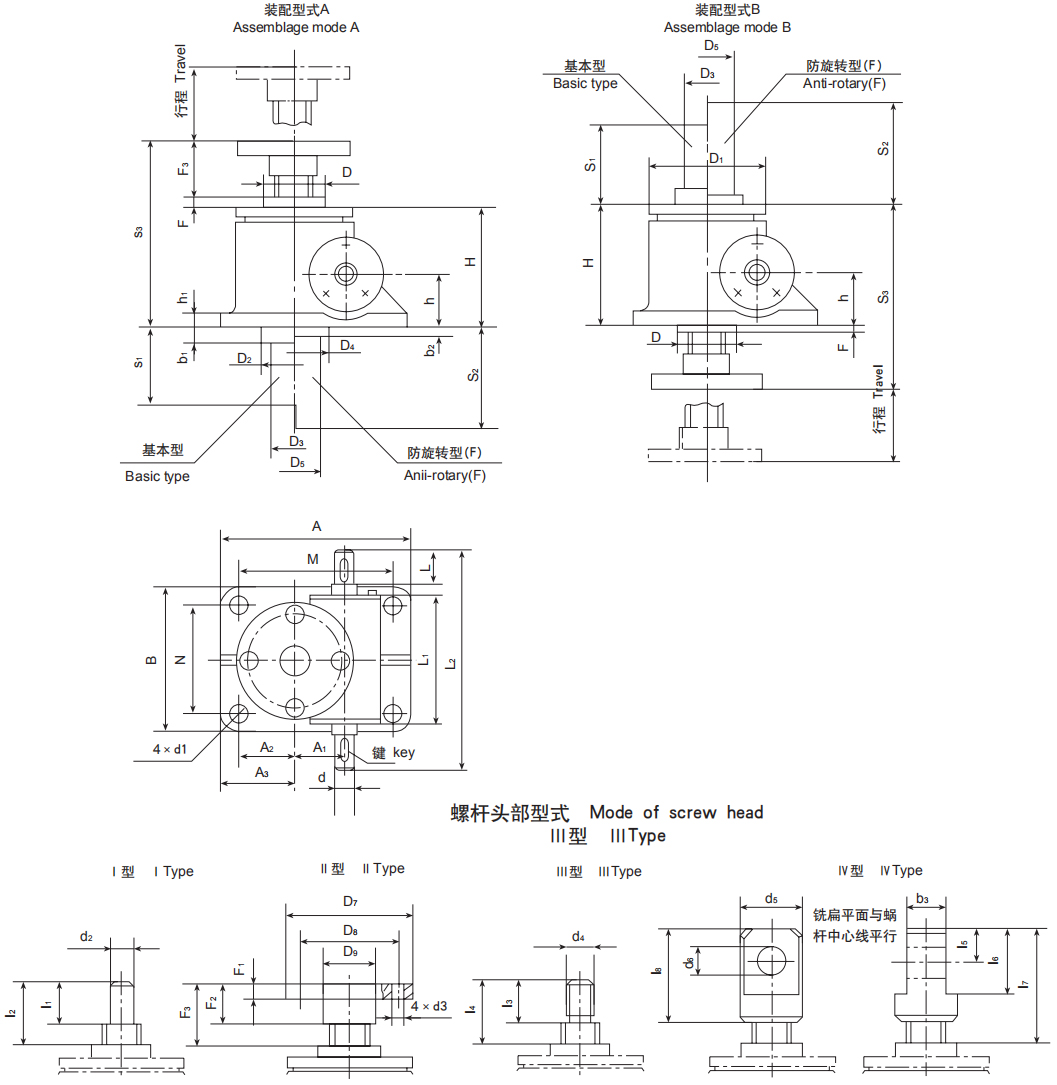
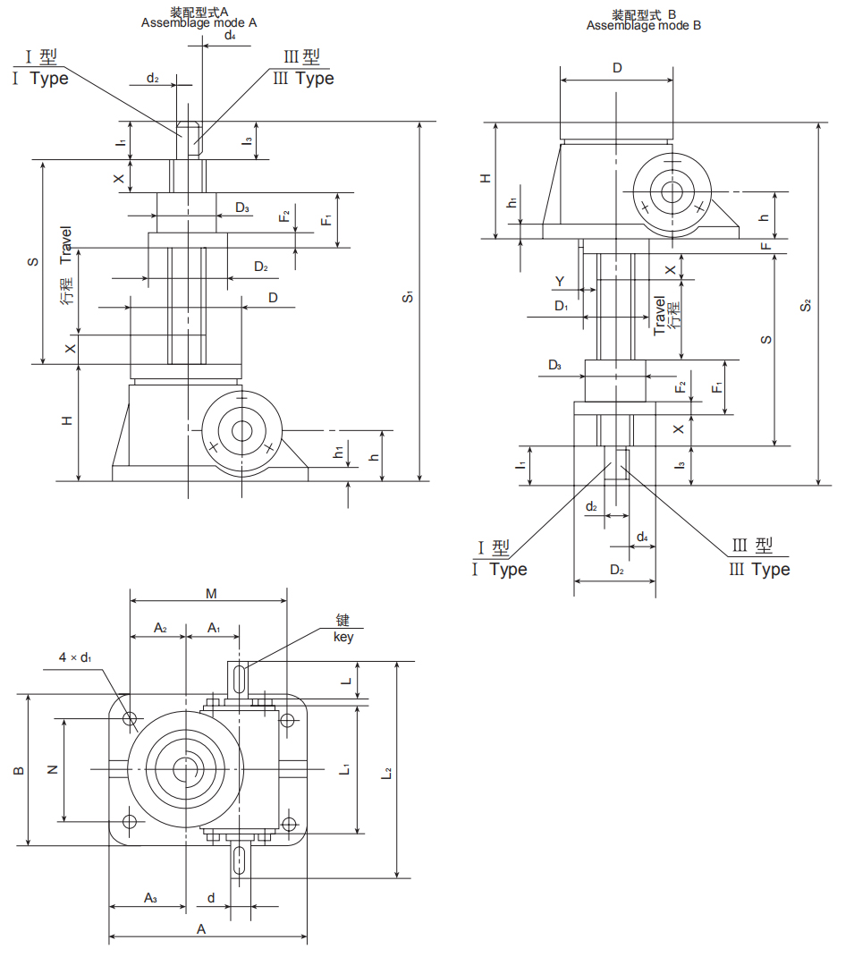
结构形式
1型一螺杆作轴向移动(防旋转型)或旋转运动(基本型)螺杆轴向移动,用户自行安装防转装置;
2型一螺杆作旋转运动螺杆上的螺母作轴向移动
螺杆头部型式
1型结构型式的螺杆头部分为1型(圆柱型)、11型(法兰型)、II型(螺纹型)和IV(扁头型)四种型式;
2型结构型式的螺杆头部分为1型(圆柱型)、 I川I型 (螺纹型)两种型式
1型升降机的外形结构尺寸


2型升降机的外形结构尺寸





