产品中心

硬齿面圆柱齿轮减速机

齿轮减速机

圆弧圆柱双级蜗杆减速器

摆线针轮减速机

电动滚筒

NBW行星齿轮减速器

平面包络蜗杆减速器

三环减速机

SWL蜗轮螺杆升降机

QY型起重机用硬齿面减速机

2004星轮减速器

圆柱蜗杆减速器

HNY,HHY系列减速器


新一代的星轮减速器是一种全新的内啮合齿轮传动装置,其先进的传动原理曾获国家发明奖及中、美、英三国发明专利权,机械部颁布了产品的技术标准标准号: JB/T8712-1998。 可广泛应用于冶金、矿山、电工、起重、运输、石化、轻工机械等设备上,特别是在重载连续传动领域,取得突破性的进展。实现了减速器内部传动机构的单元化、通用化和标准化,产品的可靠性和承载能力得到了很大提高,可在更大范围内满足用户的不同需求。


特点:

1.传动效率高。

采用啮合效率高的内啮合齿轮副的力分流结构,通过高承载能力滚动星轮连续纯滚动地传递转矩和转速,因而具有效率高的优点, HJ单级效率可达95%以上, HN型效率可达93%,H两级串联效率可达90%。

2.承载能力高,结构紧凑。

由于星轮减速器同时兼备”大速比、大转矩、小体积”三者合一的优点, 其单位重量传递转矩高达76N.m/kg以上,用于低速重载传动领域可节材30-50%,比其他类型减速器重量平均减轻约40%。

3.传动平稳,噪声低。

减速器核心单元有多达14-28对齿同时啮合,因此,产品不仅具有耐冲击的优点性能,而且具有工作可靠,传动平稳、噪声低、寿命长、齿轮可长期免维修使用等特点。

4.速比范围大,传动比密宽。

传动比范围宽而密集,一级减速时传动比为18~ 80,串联扩大级传动比为75 ~ 600,两级串联传动比为450~ 5000。

5.核心单元模块化,维护方便。

本减速器由模块化的星轮核心单元组成,性能可靠,维护方便。


传动比

image.png

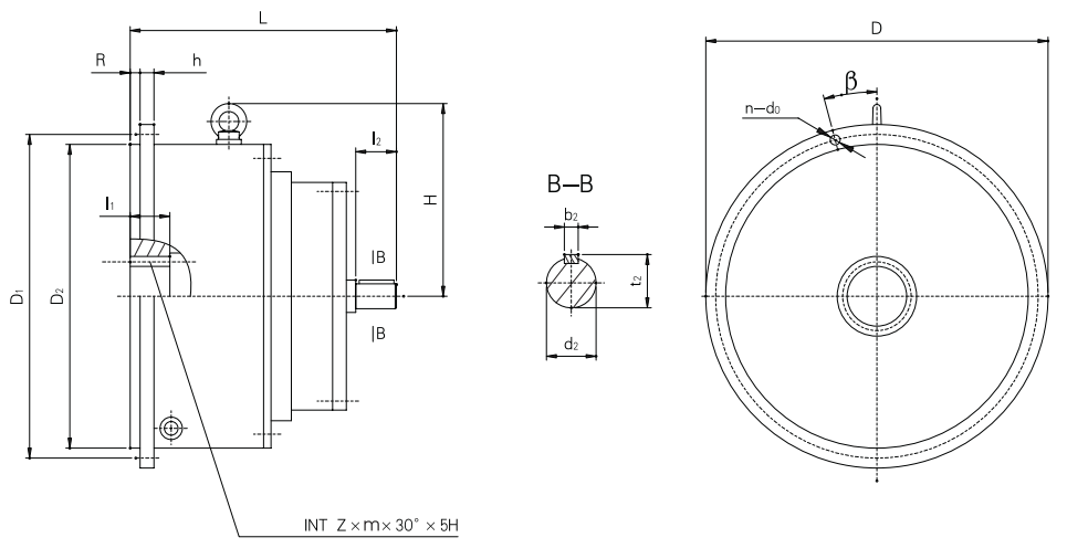
外形及安装尺寸

image.png

image.png

上一篇:HNL,HNML,HHL,HHML系列减速器

下一篇:没有了!


泰兴市恒星减速机厂

联系方式:0523-87695988 139-5265-0742 139-5265-9053

公司地址:泰兴市济川街道张庄村

Copyright © 2020-2021 泰兴市恒星减速机厂 All Rights Reserved.

电子邮箱:txhxjsj@126.com

备案号码:苏ICP备2022046895号

微信扫一扫

微信联系
返回顶部