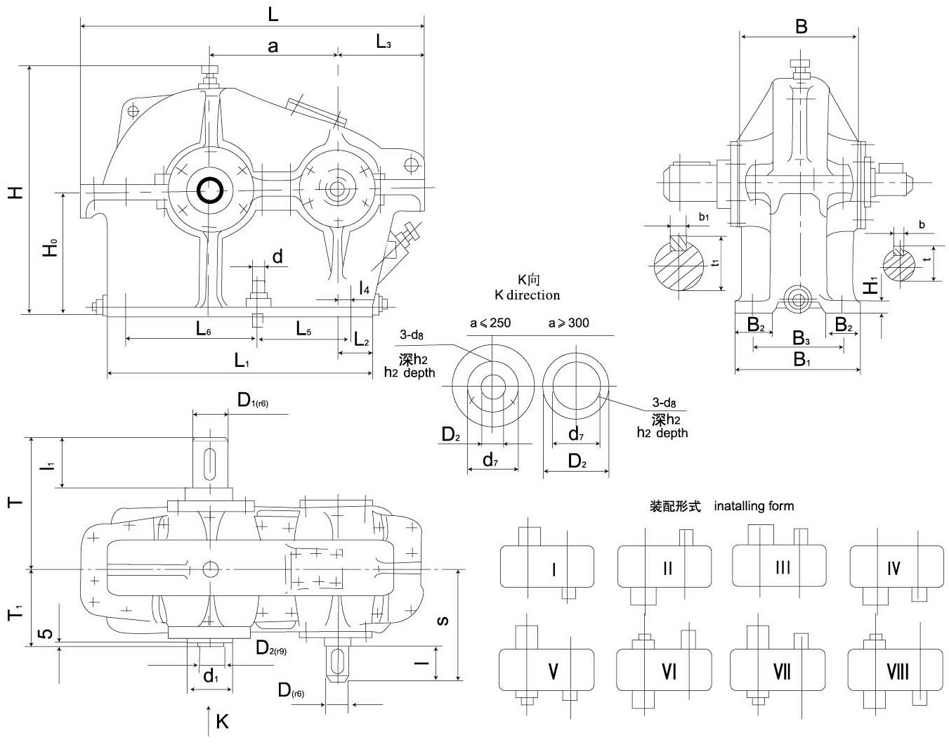
一、外形及安装尺寸、装配形式


二、传动比

三、承载能力表
本表仅列出在两种不同的输入转速及工作类型的情况下,减速器高速轴的许用功率,其它转速、类型、负荷性质可近似地参考此表。但要注意,当每一循环的工作时间t工作>20分钟时,应按连续型选用,有尖峰载荷的,要选比连续型大2-3.5倍。


致力研发、生产减/变速机
为客户提供优质的产品

全国咨询热线
0523-87695988
139-5265-0742
139-5265-9053
一、外形及安装尺寸、装配形式


二、传动比

三、承载能力表
本表仅列出在两种不同的输入转速及工作类型的情况下,减速器高速轴的许用功率,其它转速、类型、负荷性质可近似地参考此表。但要注意,当每一循环的工作时间t工作>20分钟时,应按连续型选用,有尖峰载荷的,要选比连续型大2-3.5倍。

上一篇:没有了!
下一篇:没有了!
联系方式:0523-87695988 139-5265-0742 139-5265-9053
公司地址:泰兴市济川街道张庄村
Copyright © 2020-2021 泰兴市恒星减速机厂 All Rights Reserved.
电子邮箱:txhxjsj@126.com
备案号码:苏ICP备2022046895号
