一、概述
ZJ型减速器是平行轴成折线布置,二级圆柱中硬齿面齿轮传动,是采用涨圈无键联接和接触式楔块逆止器等结构的套装式减速器。
ZJ型减速器主要用于固定式输送机,特别在斗式提升机中得到广泛应用,也运用于其它多种机械传动中。
二、工作条件
输入轴转速不大于1500r/min。
工作环境温度为-20℃+45℃,当环境温度低于0℃时,必须采用润滑油加热装置,使油温超过0℃时才能启动。
可正反两向运转。
三、型式
装配型式ZJ型减速器按空心输出轴端分为闷盖(m)和通盖(T)。输出端的旋转方向有双向(L),顺时针单向(S),逆时针单向(N);按输入轴装配型式分为右(I)装和左装(II)减速器共有12种装配型式。


四、安装型式
ZJ型减速器的输出端套装在被动轴上,一般采用直立工作位置。在有些特殊情况下,也可采用水平、倾斜、甚至倒置的工作位置。在箱体的一端装有双螺纹拉杆装置。
五、基本参数

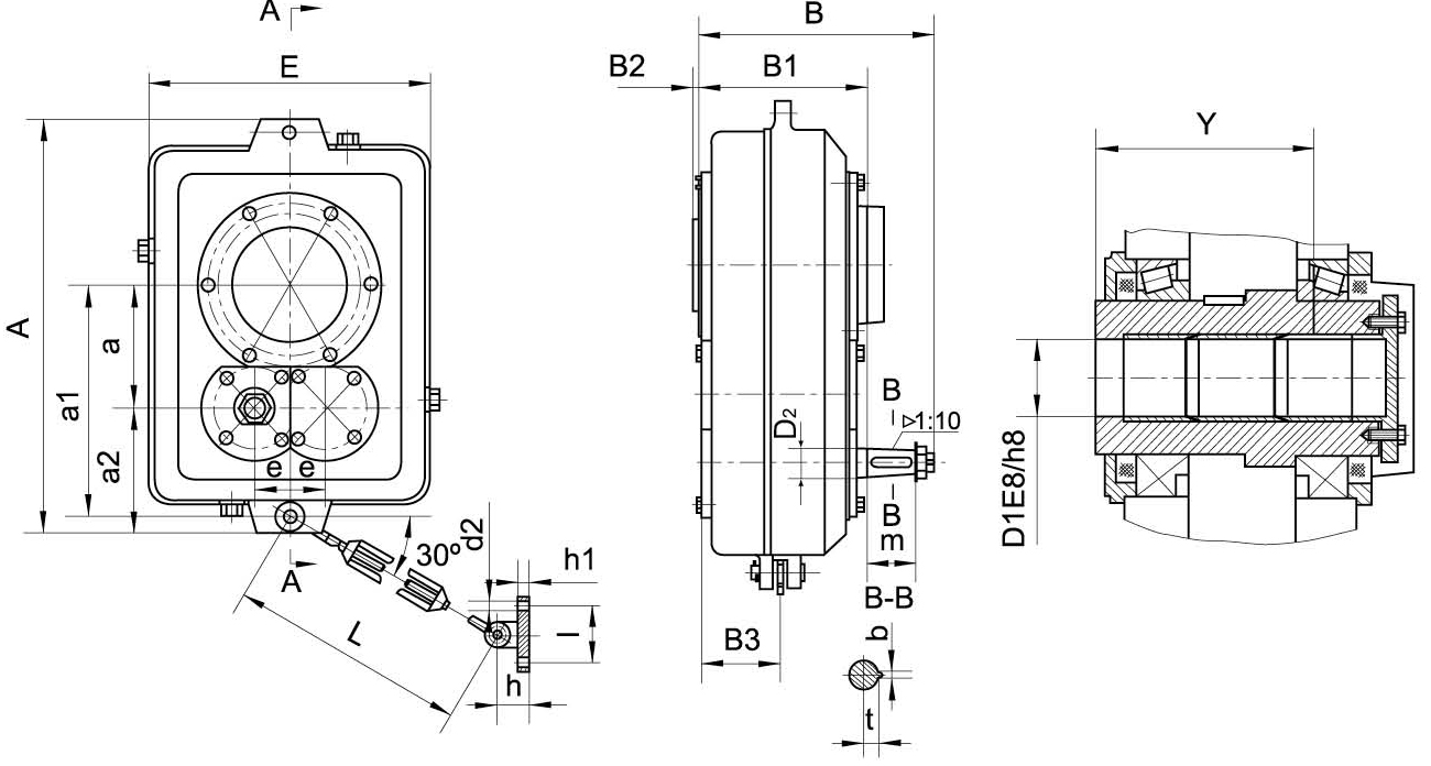
六、外型和安装尺寸





