产品中心

硬齿面圆柱齿轮减速机

齿轮减速机

圆弧圆柱双级蜗杆减速器

摆线针轮减速机

电动滚筒

NBW行星齿轮减速器

平面包络蜗杆减速器

三环减速机

SWL蜗轮螺杆升降机

QY型起重机用硬齿面减速机

2004星轮减速器

圆柱蜗杆减速器

XWE(D)双级摆线针轮减速机


一、概述

摆线针轮减速机是参照JB/T2982-94米用摆线针齿啮合的、少齿差行星传动原理设计而成的一种新型传动机械,已广泛地应用到石油化工、建筑、冶金矿山、起重运输、纺织印染、工程机械、食品工业、电子电视等各个领域深受用户的信赖和一致好评。


二、特点

传动比大:单级传动比为9-87,双级传动比99-7569。多级串联时传动比可以更大;

传动效率高:单级传动效率均在90%以上;

结构紧凑:体积小.重量轻、高速轴和低速轴在同一轴线上,装拆方便;

运转平稳噪音低,能承受过载和冲击;

使用可靠,寿命长。


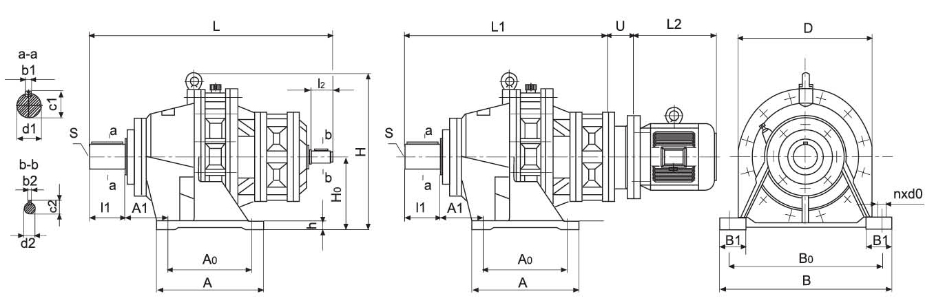
三、外型及安装尺寸

14_Im0_06.jpg

14_Im0_10.jpg

16_Im0_03.jpg

16_Im0_06.jpg


泰兴市恒星减速机厂

联系方式:0523-87695988 139-5265-0742 139-5265-9053

公司地址:泰兴市济川街道张庄村

Copyright © 2020-2021 泰兴市恒星减速机厂 All Rights Reserved.

电子邮箱:txhxjsj@126.com

备案号码:苏ICP备2022046895号

微信扫一扫

微信联系
返回顶部