产品中心

硬齿面圆柱齿轮减速机

齿轮减速机

圆弧圆柱双级蜗杆减速器

摆线针轮减速机

电动滚筒

NBW行星齿轮减速器

平面包络蜗杆减速器

三环减速机

SWL蜗轮螺杆升降机

QY型起重机用硬齿面减速机

2004星轮减速器

圆柱蜗杆减速器

NCD型齿轮箱行星减速器


一、概述

新式NGW行星减速器包括NAD、NAZD、 NBD、NBZD、NCD、NCZD、NAF、NBF、NCF、NAZF、NBZF、NCZF十二个系列。 

主要适用于冶金矿山、运输、建材、轻工、能源、交通等行业。 

减速器的高速轴转速按其规格为1500-600r/min。

减速器齿轮传动的圆周速度,直齿轮不大于15m/s,斜齿轮不大于20m/s。 

减速器工作环境温度为-40℃~+45℃,低于0℃时,启动前润滑油应预热至10℃以上。 减速器可正反两向运转。


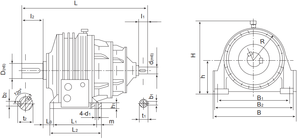
二、315-560mm外型及尺寸

image.png

image.png

二、560-2000mm外型及尺寸

image.png

image.png


泰兴市恒星减速机厂

联系方式:0523-87695988 139-5265-0742 139-5265-9053

公司地址:泰兴市济川街道张庄村

Copyright © 2020-2021 泰兴市恒星减速机厂 All Rights Reserved.

电子邮箱:txhxjsj@126.com

备案号码:苏ICP备2022046895号

微信扫一扫

微信联系
返回顶部