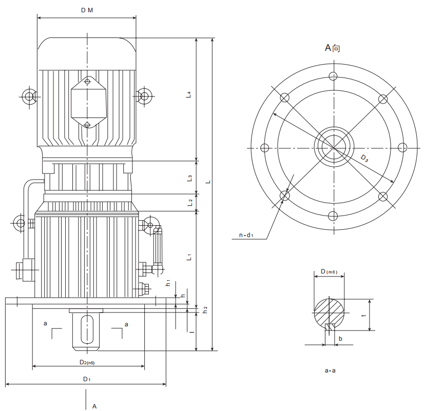
产品由NGW-L型单级L11-L71,两级L42-L122两种系列组成,适用于冶金起重运输轻化及通用机械设备。
适用条件如下: 高速轴最高转速不超过1500r/min。
齿轮圆周速度不超过15m/s。
工作环境温度为-40℃~45℃,低于0℃,启动前润滑油应预热至10℃以上,可正反两方向运转。







致力研发、生产减/变速机
为客户提供优质的产品

全国咨询热线
0523-87695988
139-5265-0742
139-5265-9053
产品由NGW-L型单级L11-L71,两级L42-L122两种系列组成,适用于冶金起重运输轻化及通用机械设备。
适用条件如下: 高速轴最高转速不超过1500r/min。
齿轮圆周速度不超过15m/s。
工作环境温度为-40℃~45℃,低于0℃,启动前润滑油应预热至10℃以上,可正反两方向运转。






上一篇:没有了!
下一篇:没有了!
联系方式:0523-87695988 139-5265-0742 139-5265-9053
公司地址:泰兴市济川街道张庄村
Copyright © 2020-2021 泰兴市恒星减速机厂 All Rights Reserved.
电子邮箱:txhxjsj@126.com
备案号码:苏ICP备2022046895号
