一、概述
行星齿轮系列减速机是一种具有广泛通用性的新型减速机,内部齿轮采用20CrMnMo渗碳淬火和磨齿。整机具有结构尺寸小输出扭矩大、速比大、效率高、性能安全可靠等特点。本机主要用于塔式起重机的回转机构,又可作为配套部件用于起重、挖掘、运输、建筑等行业。
适用范围如下: 输入轴转速≤1500r/min
转动方向:正反
机构工作级别:M5
结构利用等级:T4
工作环境温度:-40℃~+45℃,低于0℃时,启动前润滑油需预热。
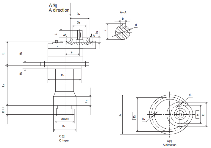
二、外型及尺寸




致力研发、生产减/变速机
为客户提供优质的产品

全国咨询热线
0523-87695988
139-5265-0742
139-5265-9053
一、概述
行星齿轮系列减速机是一种具有广泛通用性的新型减速机,内部齿轮采用20CrMnMo渗碳淬火和磨齿。整机具有结构尺寸小输出扭矩大、速比大、效率高、性能安全可靠等特点。本机主要用于塔式起重机的回转机构,又可作为配套部件用于起重、挖掘、运输、建筑等行业。
适用范围如下: 输入轴转速≤1500r/min
转动方向:正反
机构工作级别:M5
结构利用等级:T4
工作环境温度:-40℃~+45℃,低于0℃时,启动前润滑油需预热。
二、外型及尺寸



上一篇:没有了!
下一篇:没有了!
联系方式:0523-87695988 139-5265-0742 139-5265-9053
公司地址:泰兴市济川街道张庄村
Copyright © 2020-2021 泰兴市恒星减速机厂 All Rights Reserved.
电子邮箱:txhxjsj@126.com
备案号码:苏ICP备2022046895号
