一、概述
本减速机主要用于冶金、矿山起重、运输、化工、建筑等各种机械设备的减速传动,工作环境温度为0°C ~ 45°C,高速轴可正反向运转,蜗杆转速 ≤ 1500。
二、基本参数
减速器中心距符合下表规定

减速器速比符合下表规定

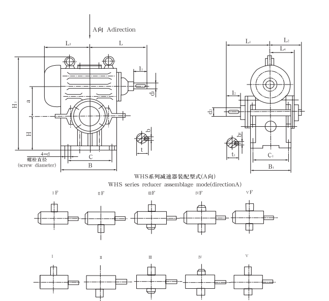
三、装配外形及安装尺寸



致力研发、生产减/变速机
为客户提供优质的产品

全国咨询热线
0523-87695988
139-5265-0742
139-5265-9053
一、概述
本减速机主要用于冶金、矿山起重、运输、化工、建筑等各种机械设备的减速传动,工作环境温度为0°C ~ 45°C,高速轴可正反向运转,蜗杆转速 ≤ 1500。
二、基本参数
减速器中心距符合下表规定

减速器速比符合下表规定

三、装配外形及安装尺寸


上一篇:WHX系列减速器
下一篇:WHC通用型系列减速器
联系方式:0523-87695988 139-5265-0742 139-5265-9053
公司地址:泰兴市济川街道张庄村
Copyright © 2020-2021 泰兴市恒星减速机厂 All Rights Reserved.
电子邮箱:txhxjsj@126.com
备案号码:苏ICP备2022046895号
