一、概述
WD系列及WS系列蜗杆减速器是按照中华人民共和国专业标准(Q/ZB125-73)生产的一级传动的阿基米德圆柱蜗杆减速器,广泛运用于冶金、矿山及起重机械等部门。
其使用范围如下:
蜗杆啮合处滑动速度不大于7.5米/秒。
蜗杆转数不超过1500转1分。
工作的周围环境温度为-40°C ~ +40°C
可用于正反两向运转。
二、规格及基本参数
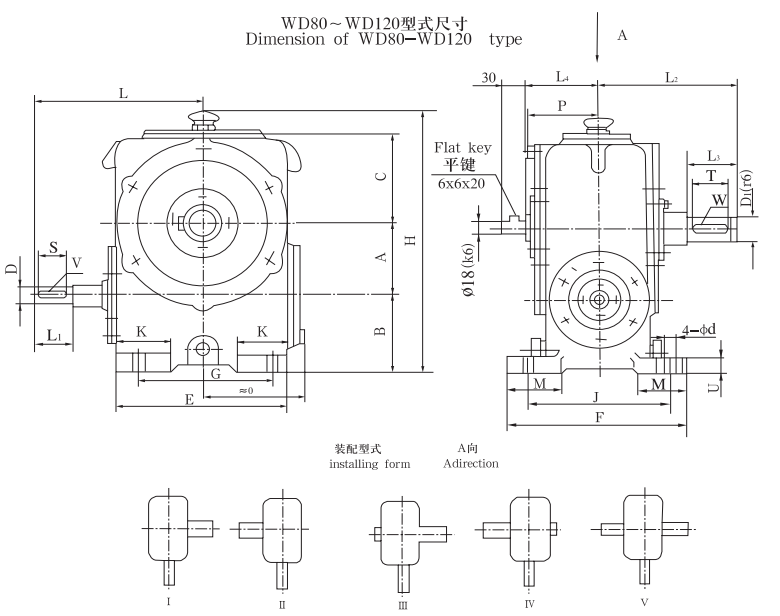
WD80-WD120系列减速器的外形尺寸


WD150-WD360系列减速器的外形尺寸


WS80-WS120系列减速器的外形尺寸


WS150-WS360系列减速器的外形尺寸


三、减速器的传动比及额定输出扭矩表




