一、概述
QJ系列减速器适用于起重机各运行机构,也广泛用于运输冶金、矿山、化工、轻工等各种机械设备的傅动机构中。
二、特点
减速比范围宽,公称速比10-200;
机械傅动效率高,二级达96%,三级达94%;
运转平稳,噪音低;
由于采用42CrMo、35CrMo经锻造调质处理,分别制作齿轮轴和齿轮,所以使用寿命长,承载能力高;
易于拆检,易于安装。
三、适用条件
齿轮圆周速度不大于16 m/s
高速轴转速不大于1000 r/min
工作环境温度为-40-45 ℃
可正反两方向运转
四、型号及速比
| 型号 | 速比 | |||||||||||
| QJR、QJR-D | 10 | 12.5 | 16 | 20 | 25 | 31.5 | ||||||
| QJS、QJR、QJS-D、QJRS-D | 40 | 50 | 63 | 80 | 100 | 125 | 160 | 200 | ||||
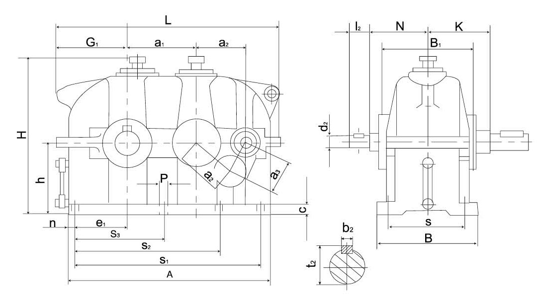
五、减速器外形及尺寸表
QJRS-D(QJD-D)减速器外形及尺寸表





